M8 Vinkelledd (20mm) (maks. 680N)
97,00 kr
På lager
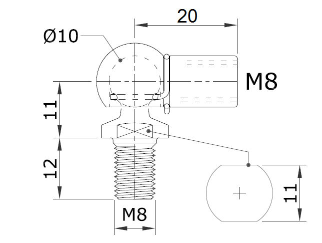
Vinkelledd som passer til gassfjærer med 8mm og 10mm stempelstang og M8 gjenger. Dette vinkelleddet fører til en forlengelse på 20mm og kan festes på både sylinderrør- og stempelstangsiden. Diameteren på ballen/kulen er 10mm.
Last ned CAD fil




